Скидка
на все товары при оплате наличными
Крупногабаритная техника
Уборка
Климатическая техника
Товары для детей
Мелкая техника
Уход за одеждой
Индивидуальный уход
Аудио, Видео, Игры
Сантехника
Аксессуары
Иное
Инструменты
Компьютерная техника
Код товара 5123603 Преимущество покупки всей техники в одном месте! Квалифицированный персонал поможет определиться с выбором, а вежливые курьеры оперативно доставят Ваш товар в целости и сохранности. Мы ценим каждого клиента!
Доставка по Минску 10 дней, бесплатная
Доставка по Беларуси 10 дней, бесплатная
(наличие, комплектацию, стоимость, страну сборки, точные сроки, а так же всю важную для вас информацию уточняйте у менеджера)
Гарантия 24 месяца
Изготовитель: Страну изготовителя уточняйте у менеджера, так как могут быть варианты.
Импортеры: ООО "ТрайдексБелПлюс", 223016 Минская область, Минский район, Новодворский с/с, 33/1-8, к. 64. Триовист ООО, 220073, Минск, ул. Ольшевского, 22, пом. 15. COOO "Гравитех" 220086, Минск, Славинского 1/2 офис 100. ООО "НТТ Импорт", 223060 Минский р-н, Новодворский с/с, д.40/2, оф.86, район д.Большое Стиклево. Домотехника ООО, 220092, г. Минск, ул. Берута, 3Б, пом. № 16.
Сервисные центры: СЦ ЦБТ Сервис, г. Минск, ул. Я.Коласа 52. СЦ «Летта» Минск, ул. Маяковского 14.
Общая информация |
|
Основные |
|
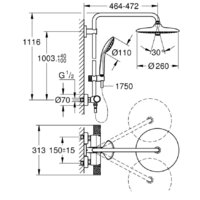
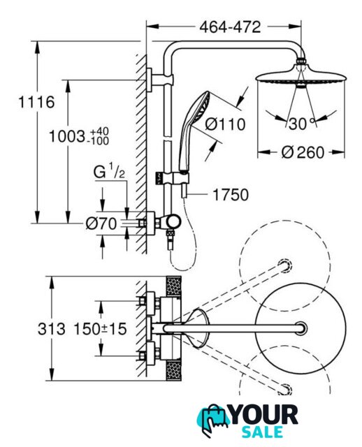
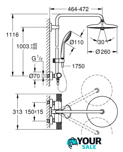
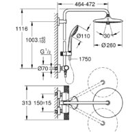
| Тип | душевая система |
| Материал шланга | пластик/резина |
| Монтаж | настенный |
| Смеситель/вентиль | термостатический |
| Расход воды | 7 л/мин |
| Цвет | хром |
Конструкция |
|
| Верхний душ | на шарнире |
| Количество режимов верхнего душа | 1 |
| Форма верхнего душа | круглая |
| Диаметр (ширина) верхнего душа | 260 мм |
| Ручной душ | c регулировкой по высоте |
| Количество режимов ручного душа | 3 |
| Форма ручного душа | круглая |
| Диаметр (ширина) ручного душа | 110 мм |
| Ограничение расхода воды | есть |
| Ограничение температуры | есть |
| Излив для ванны | нет |
Размеры и вес |
|
| Вылет верхнего душа | 472 мм |
| Длина штанги | 1 116 мм |
| Длина шланга | 1 750 мм |
Доставка по Минску 10 дней, бесплатная
Доставка по Беларуси 10 дней, бесплатная
(наличие, комплектацию, стоимость, страну сборки, точные сроки, а так же всю важную для вас информацию уточняйте у менеджера)
С подробными условиями доставки и оплаты вы можете ознакомиться в разделе "Доставка и оплата"Форма заказа
После получения заказа мы перезвоним Вам (в рабочее время магазина)
* Данный номер будет использоваться для связи с Вами и уточнения деталей заказа
Нажимая кнопку «Заказать» вы соглашаетесь на обработку и хранение персональных данных
Мы получили заказ и свяжемся с Вами по номеру
Номер заказа
Вы выбрали возможность оплатить заказ по карте. Для этого перейдите на страницу оплаты bePaid:
Ошибка платежного шлюза. В настоящее время невозможно оплатить заказ по карте!
Спасибо за заказ!
С уважением,
Your Sale
В настоящее время выбранные товары недоступны для заказа.
Возможно, для одного из товаров в заказе изменились условия доставки или цена после добавления в корзину.
Обновите, пожалуйста, страницу и сделайте заказ повторно.
С уважением,
Your Sale